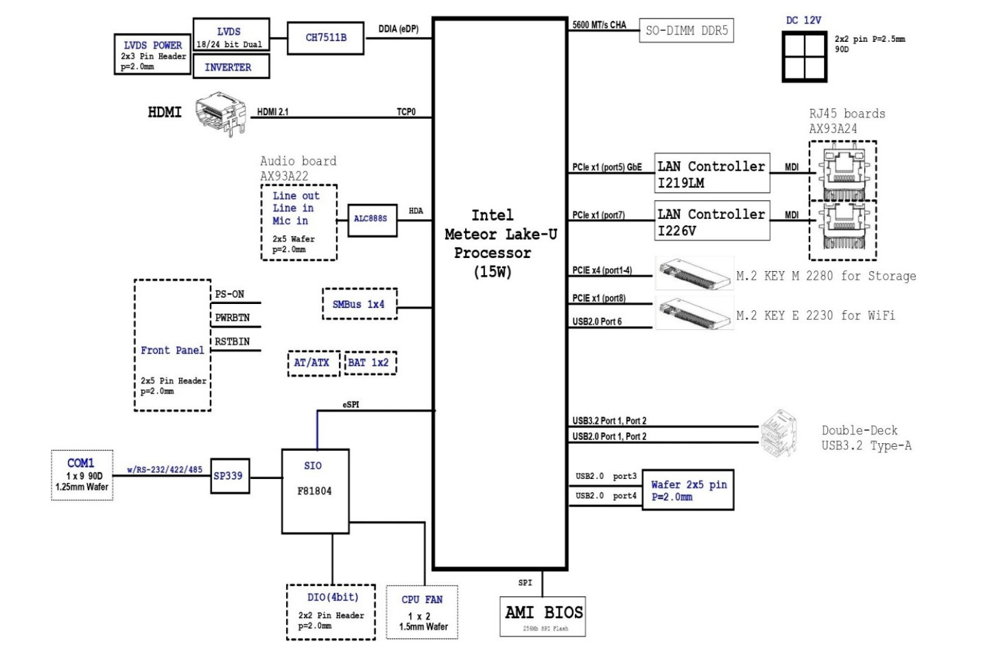
Компания Axiomtek недавно представила PICO570 – высокопроизводительный одноплатный компьютер форм-фактора Pico-ITX на базе процессоров Intel Core Ultra (серия 1) Meteor Lake-U. Размеры платы составляют всего 100 x 72 мм, а встроенный NPU производительностью 11 TOPS делает этот ультракомпактный компьютер подходящим для приложений периферийного ИИ.
Плата PICO570 очень похожа на AAEON PICO-MTU4 Pico-ITX SBC , но оснащена физическим разъёмом 262-контактного DDR5 SO-DIMM, что позволяет пользователям модернизировать или заменять оперативную память вместо распаянной LPDDR5, а также имеет HDMI 2.1 с поддержкой разрешения до 4K при 120 Гц. Одноплатный компьютер также включает интерфейс RS-232/422/485, два порта USB 3.0 и выделенный разъём SMBus для управления системой. Диапазон рабочих температур от -20°C до +60°C, сторожевой таймер, мониторинг аппаратного обеспечения и входное питание 12 В постоянного тока позволяют использовать его в узлах логического вывода ИИ, контроллерах автоматизации, медицинских системах и интеллектуальной инфраструктуре.
Технические характеристики Axiomtek PICO570:
- Meteor Lake-U SoC (один из вариантов)
- Intel Core Ultra 5 125U 12-ядерный (2P+8E+2LPE) процессор @ 1,3 / 4,3 ГГц с кэшем 12 МБ, графика Intel 4Xe LPG @ 1,85 ГГц, NPU Intel AI Boost; TDP: 15 Вт
- Intel Core Ultra 7 155U 12-ядерный (2P+8E+2LPE) процессор @ 1,7 / 4,8 ГГц с кэшем 12 МБ, графика Intel 4Xe LPG @ 1,95 ГГц, NPU Intel AI Boost; TDP: 15 Вт
- Все модели оснащены графикой Intel Arc с кодированием/декодированием AV1, кодеком H.265 (HEVC) 8 бит, DX 12.1, OpenGL 4.6, oneAPI
- Системная память – 262-контактный DDR5-5600 SO-DIMM, поддержка до 64 ГБ
- Накопитель – разъём M.2 Key M 2280 (PCIe Gen4 x4 или SATA) для высокоскоростного NVMe SSD или SATA SSD
- Видеовыходы
- Порт HDMI 2.1 до 3840 x 2160 @ 120 Гц
- 18/24-битный одно/двухканальный LVDS до 1920 x 1200
- Аудио – подключение HD Audio через штыревой разъём (подключается к плате AX93A22 HD Audio I/O )
- Сеть
- 2,5GbE через Intel I226-V (внутренний шлейф; требуется плата AX93A24 RJ45 I/O)
- GbE через Intel I219-LM (внутренний шлейф; требуется плата AX93A24 RJ45 I/O)
- Разъём M.2 Key E 2230 (PCIe x1, USB 2.0) для беспроводных модулей
- USB
- 2 порта USB 3.2 Gen 2 (10 Гбит/с) Type-A
- 2 порта USB 2.0
- Последовательный порт – 1x RS-232/422/485 (выбирается через BIOS)
- Расширение
- 4-канальное программируемое цифровое устройство ввода/вывода
- Разъём SMBus
- Безопасность – fTPM 2.0 через Intel PTT
- Разное
- Сторожевой таймер (255 уровней)
- Литиевая батарея для CMOS
- Разъём для вентилятора
- Мониторинг температуры системы, напряжения и скорости вращения вентилятора
- Питание – только +12 В постоянного тока (разъём 2×2 контакта Molex 1054051104 совместимый)
- Габариты – 100 x 72 мм (форм-фактор Pico-ITX)
- Рабочая температура – от -20°C до 60°C
- Влажность – 0% ~ 90% относительной влажности, без конденсации


Плата поддерживает два сетевых контроллера Ethernet, но они выведены через 15-контактные внутренние шлейфовые разъёмы, а не стандартные порты RJ45. Для использования этих интерфейсов требуется плата ввода/вывода AX93A24 RJ45. Однако на момент написания статьи, по-видимому, не существует отдельной страницы продукта для этого аксессуара. Единственное упоминание найдено на странице продукта и в техническом описании модуля Gigabit LAN M.2 E-Key AX92917 , где упоминается плата Ethernet AX93A24. Таким образом, для получения дополнительной информации о доступности и совместимости, вероятно, потребуется напрямую связаться с компанией.

Плата поддерживает среды Windows 11/10 и Linux. Компания также предоставляет SDK eAPI3.0 и драйверы для управления сторожевым таймером, аппаратным мониторингом и цифровым вводом/выводом.
Компания сообщает, что PICO570 в настоящее время доступен в двух стандартных конфигурациях на базе процессоров Intel Core Ultra 7 155U и Core Ultra 5 125U. Однако, как и в случае с большинством промышленных продуктов, цены не разглашаются, и для получения коммерческого предложения необходимо отправить запрос через страницу продукта . Дополнительная информация также доступна в пресс-релизе.
Выражаем свою благодарность источнику, с которого взята и переведена статья, сайту cnx-software.com.
Оригинал статьи вы можете прочитать здесь.

