LILYGO T-Beam-1W – это плата для разработки с LoRa высокой мощности на базе ESP32-S3, оснащенная РЧ-трансивером SX1262, встроенным усилителем мощностью 1 Вт (32 дБм), модулем GNSS L76K, OLED-дисплеем SH1106 с диагональю 1,3 дюйма, слотом для microSD, разъемом USB-C, коннекторами Qwiic и ИВП AXP2101. Плата работает от аккумулятора 7,4 В и включает вентилятор охлаждения для работы РЧ-части в режиме высокой мощности.
Впервые об оригинальной LILYGO T-Beam (тогда под брендом TTGO) было рассказано в 2018 году, и с тех пор компания представила различные ревизии T-Beam по мере роста его популярности. T-Beam 1W — самая мощная версия на сегодняшний день, со встроенным усилителем мощностью 1 Вт, что позволяет плате передавать данные на большие расстояния без необходимости покупки отдельных громоздких усилителей.
Характеристики LilyGO T-Beam-1W:
- Основной модуль – Espressif Systems ESP32-S3-WROOM-1
- Система на кристалле – ESP32-S3
- ЦП – двухъядерный процессор LX7 с тактовой частотой до 240 МГц
- Память – 512 КБ SRAM, 8 МБ PSRAM
- Хранилище – 384 КБ ПЗУ
- Беспроводные интерфейсы – WiFi 4 802.11b/g/n и Bluetooth 5.0 LE
- Хранилище – 16 МБ флеш-памяти
- Антенна, интегрированная в печатную плату
- Система на кристалле – ESP32-S3
- Хранилище – Слот для карты Micro SD
- Дисплей – 1.3-дюймовый OLED с разрешением 128×64 (драйвер SH1106, подключен по I2C)
- Беспроводная связь
- WiFi 4 и Bluetooth 5.0 на модуле ESP32-S3
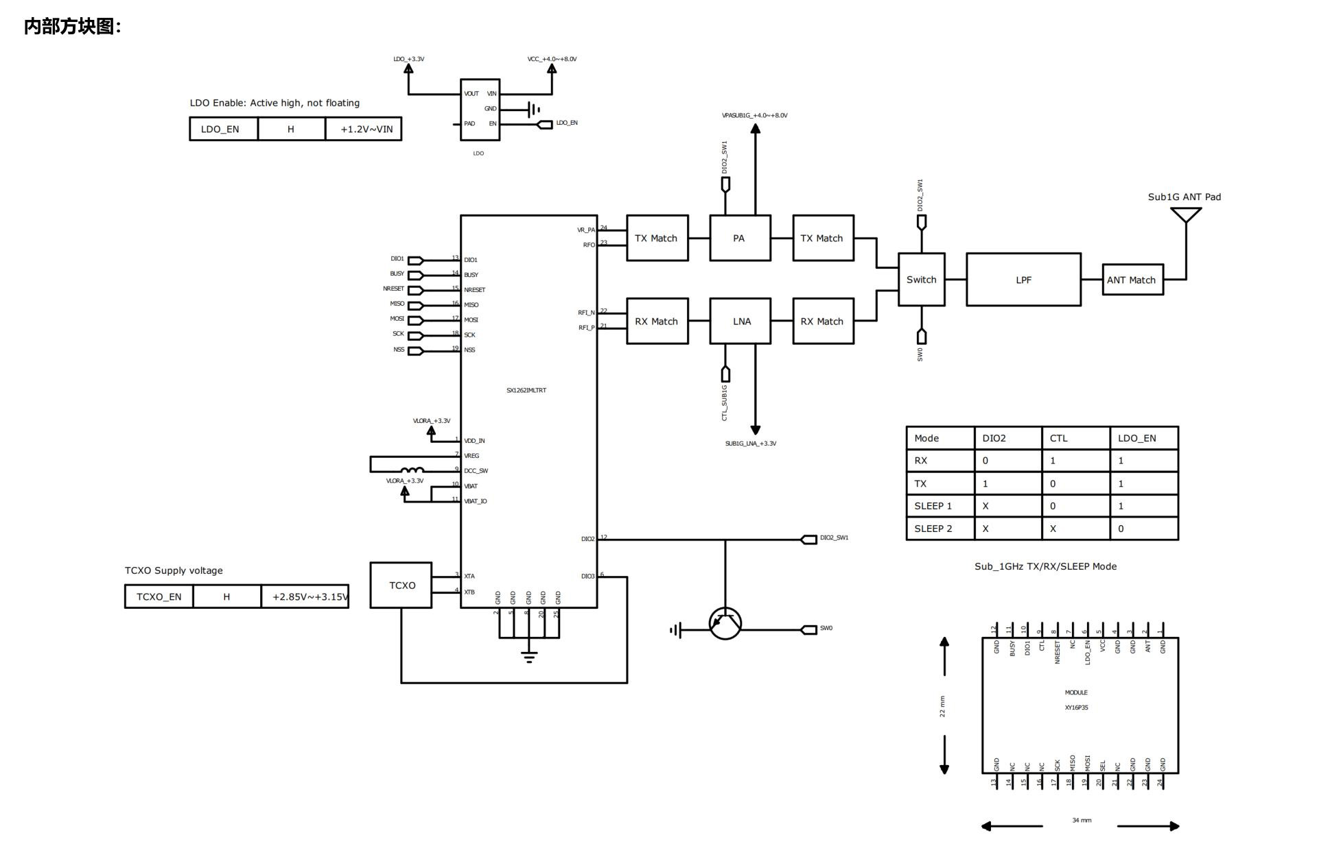
- Приемопередатчик LoRa Semtech SX1262 с усилителем PA+LNA поддерживает 433/868/915/920/923 МГц
- Многосистемный GNSS-модуль Quectel L76KB поддерживает GPS, ГЛОНАСС, BeiDou, QZSS
- Антенны
- SMA-разъем для LoRA с поддержкой антенны на 868 МГц
- Встроенная печатная антенна на плате для модуля ESP32-S3
- Антенна GNSS-модуля с верхним креплением
- USB – порт USB 2.0 Type-C для питания и программирования
- Расширение
- 2× 15-контактных разъема 2.54 мм с SPI, I²C, UART, АЦП, ШИМ, сенсорным выводом и другими
- 2× разъема Qwiic
- Прочее
- Кнопки пользователя (IO17), Boot и Reset
- Переключатель питания
- Разъем вентилятора (небольшой вентилятор на нижней стороне устройства)
- Встроенная батарея RTC (не подтверждено)
- Питание
- 5В/1А через порт USB-C
- AXP2101 PMU
- Поддержка аккумулятора 7.4V F550 (без встроенного зарядного устройства)
- Габариты – 133 × 43 × 27 мм (размер платы без антенны)


Стандартные модули LoRa, такие как SX1262, обычно выдают около 22 дБм (~160 мВт). T-Beam 1W включает схему усилителя мощности (PA) и малошумящего усилителя (LNA), которая увеличивает это значение до 32 дБм. 32 дБм соответствуют примерно 1.6 Вт насыщенной мощности, что является максимальной мощностью, которую может обработать эта плата, но компания рекламирует ее как плату на 1 Вт. LILYGO также предупреждает, что антенна должна быть подключена перед включением питания, чтобы избежать повреждения RF-модуля. Кроме того, высокая выходная мощность генерирует значительное тепло, что объясняет наличие охлаждающего вентилятора на обратной стороне печатной платы, который управляется через GPIO41.
Что касается программной поддержки, T-Beam-1W можно программировать как в Arduino IDE, так и в PlatformIO с официальным ядром ESP32 Arduino и стандартными toolchain для ESP32-S3. Кроме того, LILYGO предоставляет примеры для LoRa (SX1262), GNSS (L76K) и OLED-дисплея. Meshtastic может быть поддержан в будущем, но на момент написания он не поддерживается официально . Больше информации доступно на Wiki, размещенном на GitHub .


Ранее мы писали о различных автономных устройствах связи LoRa, таких как LILYGO T-Echo Plus , Wio Tracker L1 Pro , Heltec WiFi LoRa 32 (V4) и другие. Вы можете ознакомиться с ними, если ищете что-то подобное или с поддержкой Meshtastic.
LilyGO T-Beam-1W доступен на AliExpress за $60.98 ; также доступен на Amazon за $53.00 . Его также можно приобрести в официальном магазине за $47.32, без учета доставки.
Выражаем свою благодарность источнику, с которого взята и переведена статья, сайту cnx-software.com.
Оригинал статьи вы можете прочитать здесь.


